Δίπλα σας από το 1973...

Δονητής με έμβολο FP-60-M

Για γραμμική δόνηση με εξαιρετικής ακρίβειας ρυθμίσεις πλάτους και συχνότητας Ιδιότητες

  • αθόρυβος και αποτελεσματικός
  • συχνότητα 1800-9300 vpm
  • φυγόκεντρος δύναμη 32 – 6150 Ν
  • η συχνότητα και το πλάτος μπορούν να ρυθμιστούν
  • χρησιμοποιείται σε θερμοκρασίες μέχρι 150 βαθμούς C
  • ανθεκτικός σε ακραίες περιβαλλοντικές συνθήκες
  • πολύ χαμηλό επίπεδο θορύβου

Εφαρμογές

  • μεταφορά, προώθηση και εκκένωση στη γραμμή παραγωγής
  • αραίωση ή συμπύκνωση χύδην υλικών
  • εκκίνηση μηχανικών διαδικασιών
  • γέμισμα συσκευασιών

Ο δονητής με έμβολο FP-60-M λειτουργεί στις 2 ή στις 6 ατμόσφαιρες με τις παρακάτω επιδόσεις:

Δονήσεις ανά λεπτό Ισχύς Ν Κατανάλωση αέρα l/min
2bars    6bars 2bars    6bars 2bars    6bars
1.950 2.700 610 2.170 90 275

Διατίθεται και σε ATEX μοντέλο για περιβάλλοντα με κίνδυνο έκρηξης.

Κωδικός προϊόντος: 9060.20 Κατηγορία:
mi-diathesimo Κατόπιν Παραγγελίας
Ζητήστε μας προσφορά

Δονητής με έμβολο FP-60-M

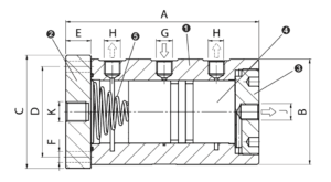
Α mm B mm C mm D mm E mm F mm G σπείρωμα H σπείρωμα J σπείρωμα K
154 94 110 90 20 8,8 1/4” 3/8” 1/4” M16
  1. Περίβλημα από σκληρά ανοδιομένο κράμα αλουμινίου
  2. Βάση
  3. Ανοδιομένη τάπα
  4. Έμβολο από μολυβδοχαλκό
  5. Ελατήριο συμπίεσης

Ακολουθήστε μας σε Facebook & Instagram

Βάρος 4,250 κ.
Σειρά

Εταιρία

Παράδοση

Κατόπιν Παραγγελίας