Δίπλα σας από το 1973...

Δονητής με μπίλια K-36

Απλοί και αποτελεσματικοί, ευρεία γκάμα για πολλές εφαρμογές Ο δονητής με μπίλια K-36 λειτουργεί στις 2 ή στις 6 ατμόσφαιρες με τις παρακάτω επιδόσεις:

Δονήσεις ανά λεπτό Φυγόκεντρη Ν Κατανάλωση αέρα l/min
2bars    6bars 2bars    6bars 2bars    6bars
7.300 10.000 2.060 4.050 260 675

Εφαρμογές

  • άδειασμα αποθηκών
  • κόσκινα για φιλτράρισμα
  • δονητικά τραπέζια
  • πρόληψη φραγής αγωγών
  • μετακίνηση αγαθών
  • σιλό

Διατίθεται και σε ATEX μοντέλο για περιβάλλοντα με κίνδυνο έκρηξης.

Κωδικός προϊόντος: 1036.00 Κατηγορία:
mi-diathesimo Κατόπιν Παραγγελίας
Ζητήστε μας προσφορά

Δονητής με μπίλια K-36

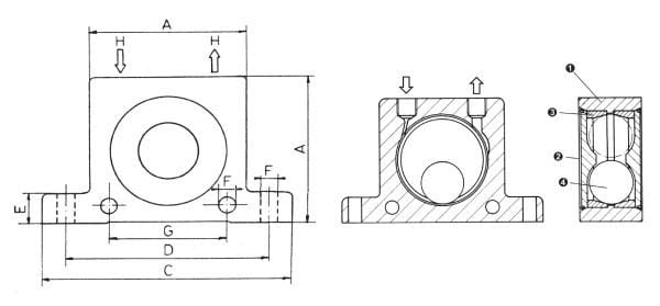
A B C D E F G H
mm mm mm mm mm mm mm πάσο
100 50 160 130 20 11 80 3/8”
  1. Περίβλημα κράμα αλουμινίου
  2. Πλαστική τάπα
  3. Σκληροί οδηγοί φτιαγμένοι από ατσάλι
  4. Σκληρυμένη μπάλα

Ακολουθήστε μας σε Facebook & Instagram

Βάρος 1,355 κ.
Σειρά

Εταιρία

Παράδοση

Κατόπιν Παραγγελίας