ITALVIBRAS MVSI 3/800 220V
Η σειρά MVSI είναι η βασική σειρά δονητών σε κατασκευές και μονάδες δόνησης και χρησιμοποιείται ευρέως σε πάρα πολλούς βιομηχανικούς τομείς. Περιλαμβάνει τη μεγαλύτερη γκάμα δονητών με φυγόκεντρη δύναμη μέχρι 30,5 τόνους! Έχουν σχεδιαστεί με εγγύηση υψηλών επιδόσεων σε οποιοδήποτε περιβάλλον και πληρούν τα πιο πρόσφατα διεθνή πρότυπα IEC και EN. Μπορούν να χρησιμοποιηθούν ακόμα και σε περιβάλλοντα με κίνδυνο έκρηξης.
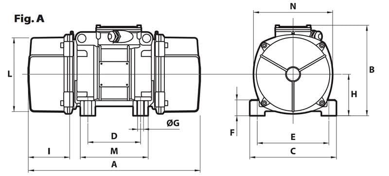
| A | B | C | D | E | øG | N° | F | H | I | L | M | N | Εισ. Καλωδίου |
| 307 | 210 | 205 | 120 | 170 | 17 | 4 | 45 | 91.5 | 51 | 168 | 160 | 178 | Μ25*1,5 |

Άμεσα Διαθέσιμο
Τεχνικά Χαρακτηριστικά







