Δίπλα σας από το 1973...

Δονητής με έμβολο FP-95-M

Για γραμμική δόνηση με εξαιρετικής ακρίβειας ρυθμίσεις πλάτους και συχνότητας

Ιδιότητες

  • αθόρυβος και αποτελεσματικός
  • συχνότητα 1800-9300 vpm
  • φυγόκεντρος δύναμη 32 – 6150 Ν
  • η συχνότητα και το πλάτος μπορούν να ρυθμιστούν
  • χρησιμοποιείται σε θερμοκρασίες μέχρι 150 βαθμούς C
  • ανθεκτικός σε ακραίες περιβαλλοντικές συνθήκες
  • πολύ χαμηλό επίπεδο θορύβου

Εφαρμογές

  • μεταφορά, προώθηση και εκκένωση στη γραμμή παραγωγής
  • αραίωση ή συμπύκνωση χύδην υλικών
  • εκκίνηση μηχανικών διαδικασιών
  • γέμισμα συσκευασιών

Ο δονητής με έμβολο FP-95-M λειτουργεί στις 2 ή στις 6 ατμόσφαιρες με τις παρακάτω επιδόσεις:

Δονήσεις ανά λεπτό Ισχύς Ν Κατανάλωση αέρα l/min
2bars    6bars 2bars    6bars 2bars    6bars
1.800 2.800 1.620 6.150 170 490

Διατίθεται και σε ATEX μοντέλο για περιβάλλοντα με κίνδυνο έκρηξης.

Κωδικός προϊόντος: 9095.20 Κατηγορία:
mi-diathesimo Κατόπιν Παραγγελίας
Ζητήστε μας προσφορά

Δονητής με έμβολο FP-95-M

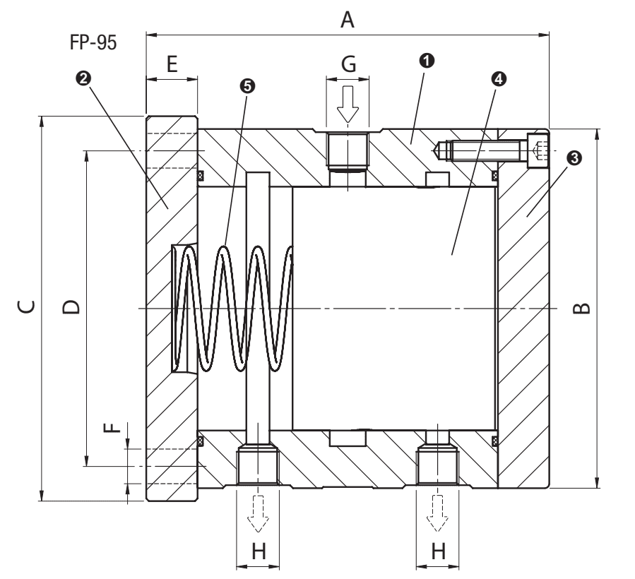
Α mm B mm C mm D mm E mm F mm G σπείρωμα H σπείρωμα J σπείρωμα K
157 140 150 125 20 13 3/8” 3/8” 3/8”
  1. Περίβλημα από σκληρά ανοδιομένο κράμα αλουμινίου
  2. Βάση
  3. Ανοδιομένη τάπα
  4. Έμβολο από μολυβδοχαλκό
  5. Ελατήριο συμπίεσης

Ακολουθήστε μας σε Facebook & Instagram

Βάρος 9,460 κ.
Σειρά

Εταιρία

Παράδοση

Κατόπιν Παραγγελίας