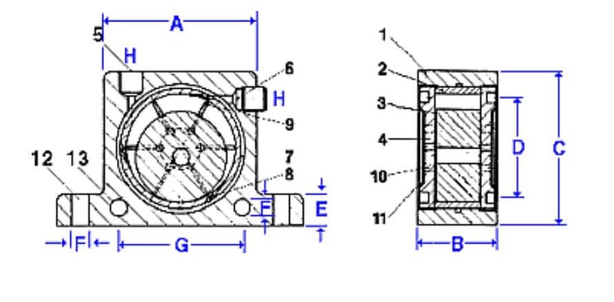
Construction:
1 – Hard anodised aluminum alloy body
2 – Turbine rotor
3 – Aluminum = light weight
4 – Brass = heavy weight
5 – Ball-bearings
6 – Plastic endplate with thread
7 – Nylon endplate
8 – Accelerator grooves
9 – Air inlet
10 – Air exhaust
11 – Base Mounting’s holes

In Stock
Instant Delivery








